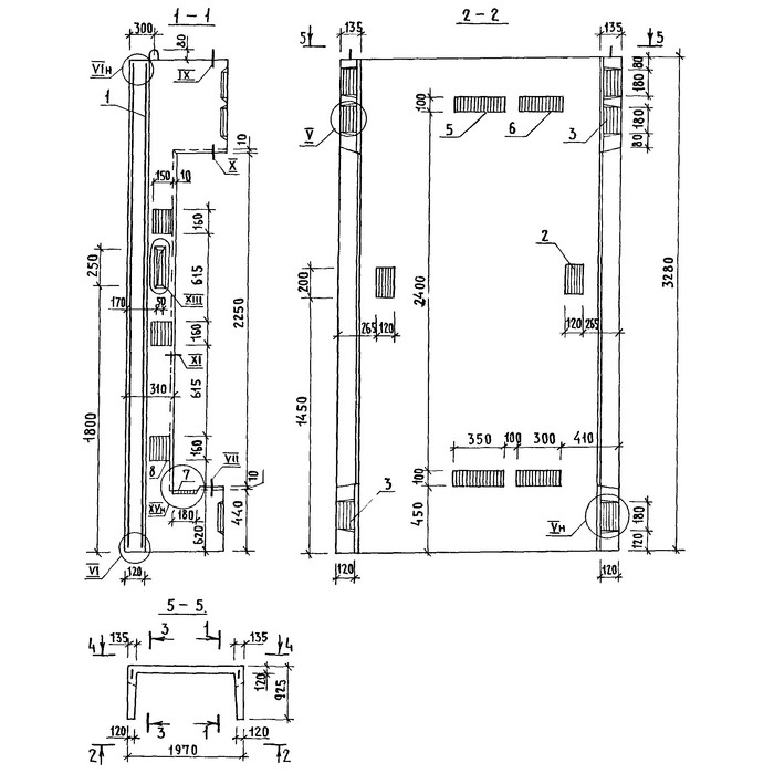
Шахта лифтовая БШЛ 50Грб-42-1 предназначена для установки в зданиях и сооружениях с целью обеспечения безопасной работы лифтов. Изготовлена из высококачественного железобетона, что обеспечивает прочность и долговечность конструкции. Шахта имеет специальные отверстия для установки лифтового оборудования и дверей, а также предусмотрены отверстия для вентиляции и освещения.
Шахта лифтовая БШЛ 50Грб-42-1 широко используется в строительстве жилых и коммерческих зданий, торговых центров, офисных зданий и других объектов, где необходимо обеспечить безопасную и эффективную работу лифтов. Этот продукт идеально подходит для строительства новых зданий, а также для реконструкции и модернизации существующих лифтовых шахт.









