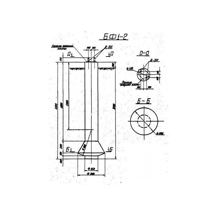
Фундамент серии 3.407.9-146 Серия 3.407-123 БФ2-4 предназначен для использования в строительстве как основание для различных сооружений. Изготовлен из железобетона, что обеспечивает ему высокую прочность и долговечность. Имеет оптимальные размеры и форму, что облегчает его установку и обеспечивает надежное крепление сооружений.









